Submitted by curator on Fri, 10/16/2015 - 13:49
 |
|
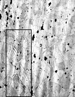
Inv. 32-21-101a Sickle fragment A cut across one corner of the fragmented broader edge: magnification, 200x Etchant: Ammonium hydroxide + hydrogen peroxide + alcoholic ferric chloride Sn, <0.013%; As, 0.90%; Ni, 0.23%)
The microstructure consists of polyhedral grains that, in their twinning and varying degree of distortioneven erasure near the artifacts edge (to the right here)indicate that the blade was only hot-worked, but that in some regions it subsequently experienced some cold-working during use. The hot-working elongated inclusions while the cold-working deformed and fragmented them (see boxed area). Some original compositional segregation has survived both workings, however, to leave a ghost of banding that runs north-south in this micrograph.
Microhardness VHN: 119 ± 6 (n=5) Very uniform; what data scatter there is (VHN ranging 128 to 113) seems to be a genuine record of variations in grain distortion within the blades body. What microstructural evidence there might have been of deliberate working of the blades edge most likely is now lost to corrosion.
|