Submitted by curator on Fri, 10/16/2015 - 13:43
 |
|
 |
|
|
|
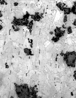
Inv. 31-52-226 Blade fragment A notch cut from the wider end: magnification, 400x [left and right] Etchant: for micrograph on left: Ammonium hydroxide + hydrogen peroxide; for micrograph on right: Klemms III (Sn, <0.032%; As, 1.09%; Ni, 0.30%)
The surface of this specimen contains many clumps of corrosion-filled areas. Treatment of the blade by a sequence of hot- and cold-working is evident in the elongated and fragmented nature of the sulfide-type inclusions (left micrograph). Annealing has produced polyhedral, twinned grains that, like the inclusions, are arrayed in rows (right micrograph). The mixed grain size indicates that there are significant compositional variations throughout the metal, while the finer grain size at the blades edge reflects a higher extent of deformation there.
Microhardness VHN: 95 ± 13 (n=5) Non-uniform, with the VHN range (114 to 75) providing evidence of the heavier working applied to the blades edge.
|