Submitted by curator on Fri, 10/16/2015 - 13:34
 |
|
 |
|
|
|
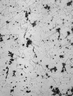
Inv. 31-52-183 Flat ended toggle pin A cut from a flat side at the base of the tang, 46 mm from the pointed end: magnification, 200x Etchant: for micrograph on left, Klemms III; for micrograph on right, Ammonium hydroxide + hydrogen peroxide (Sn, 0.066%; As, 0.83%; Ni, 0.16%)
The microstructure consists of polyhedral grains that, in their twinning, are indicative of annealing after moderate cold-working. Shapes of the entrapped inclusions are unusual, varying from pinpoints to fairly large clusters; at grain boundaries, some have the appearance of small fissures.
Microhardness VHN: 76 ± 3 (n=5) Very uniform; what evidence there might have been for the working required to flatten the quite soft body of the pin most likely is now lost to corrosion (cf. Inv. 31-52-184).
|