Submitted by curator on Fri, 10/16/2015 - 13:36
 |
|
 |
|
|
|
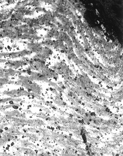
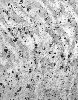
Inv. 31-52-184 Flat ended toggle pin A cut across the tip of the tang: magnification, 100x [left] and 200x [right] Etchant: Ammonium hydroxide + hydrogen peroxide (Sn, 0.046%; As, 1.11%; Ni, 0.094%)
The hot-working to which this compositionally segregated metal has been subjected has produced a markedly banded microstructure (left micrograph). The deformation path is delineated by numerous globular inclusions that have suffered appreciable change of shape. The actual grain structure, which is barely visible beneath the dark banding revealed by etching, is quite misshapen and fine, but evidently is evolved from polyhedral shapes (right micrograph).
Microhardness VHN: 108 ± 5 (n=4) Very uniform, indicating how the tang was worked gradually out of the pins main body by repetitive hammering and turning (cf. Inv. 31-52-183).
|