Submitted by curator on Thu, 10/15/2015 - 16:40
 |
|
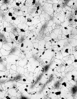
Inv. 30-17-201 Shafthole adze From lower edge of socket; magnification, 200x Etchant: Ammonium hydroxide + hydrogen peroxide + alcoholic ferric chloride (Sn, <0.024%; As, 2.9%; Ni, 3.0%)
A description of the microstructure is in preparation.
Microhardness: VHN: 94 ± 6 (n=5) Uniform;
|