Error message

Deprecated function: stripos(): Passing null to parameter #1 ($haystack) of type string is deprecated in _ajax_register_ajax_links() (line 397 of sites/all/modules/ajax_register/ajax_register.module).

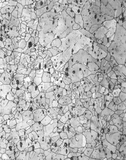
33-35-079 Micrograph

 

Inv. 33-35-079 
Pin 
A cut from the shaft; magnification, 200x 
Etchant: Ammonium hydroxide + hydrogen peroxide + alcoholic ferric chloride 
(Sn, <0.012%; As, 2.1%; Ni, 2.8%) 

A description of the microstructure is in preparation. 

Microhardness: VHN: 129 ± 6 (n=6) 
Uniform;