Submitted by curator on Fri, 10/16/2015 - 10:39
 |
|
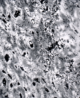
FM 158 177 Pin, with a bovine head A cut across the broken end of the shaft: magnification, 200x Etchant: (Sn, 3.2%; As, 0.95%; Ni, 0.12%)
A description of the microstructure is in preparation
Microhardness VHN: 120 ± 6 (n=5)
|