Error message

Deprecated function: stripos(): Passing null to parameter #1 ($haystack) of type string is deprecated in _ajax_register_ajax_links() (line 397 of sites/all/modules/ajax_register/ajax_register.module).

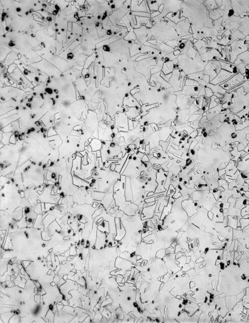
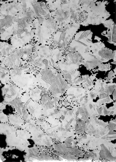
33-21-911 Micrographs

 

 

Inv. 33-21-911
Field #: H3562
Chisel
Context: CH96 X24
A cross-section of the broken end, away from the working tip; magnification, 200x (left and right)
Etchant: Ammonium hydroxide + hydrogen peroxide
(As, 0.031%; Sn, <0.021%; Ni, <0.015%)

A description of the microstructure is in preparation.

Microhardness VHN: 102 ± 3 (n=5)