Submitted by curator on Fri, 10/16/2015 - 11:45
 |
|
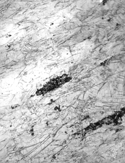
Inv. 35-10-101b Pin or awl A cut across the broader end: magnification, 400x Etchant: Ammonium hydroxide + hydrogen peroxide + alcoholic ferric chloride (Sn, <0.012%; As, 0.14%; Ni, <0.011%)
This artifacts microstructure has been subjected to such a high degree of deformation by cold-working that its original grain structure has been almost entirely obliterated, and small fractures have been opened up around non-metallic inclusions. Banding that runs southwest to northeast across this micrograph indicates that there was some compositional segregation during initial casting of the artifact that has not been completely erased.
Microhardness VHN: 171 ± 8 (n=5) Very uniform; what data scatter there is (VHN ranging 179 to 156) seems to be a genuine record of variations in grain size and composition within the pins body.
|