Submitted by curator on Fri, 10/16/2015 - 14:19
 |
|
 |
|
|
|
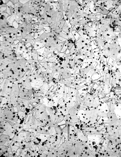
Inv. 31-52-45 Snake A cut completely across the tip of the tail: magnification, 200x (left and right) Etchant: for micrograph on left: Klemms III; for micrograph on right, Ammonium hydroxide + hydrogen peroxide + potassium dichromate (Sn, 7.3%; As, 0.31%; Ni, 0.24%)
The microstructure consists of polyhedral grains that, in their twinning, are indicative of an annealing treatment after moderate cold-working (left micrograph). Small inclusions are scattered unevenly through the metal and most likely are remnants of non-metallic material (matte) that became entrapped in the copper during its original smelting (right micrograph).
Microhardness VHN: 105 ± 13 (n=5) Uniform, though the VHN range (127 to 89) is evidence for somewhat heavier working close to the artifacts surface.
|