Error message

Deprecated function: stripos(): Passing null to parameter #1 ($haystack) of type string is deprecated in _ajax_register_ajax_links() (line 397 of sites/all/modules/ajax_register/ajax_register.module).

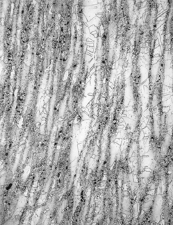
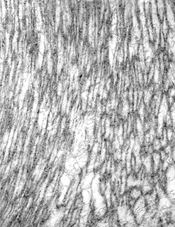
32-21-20 Micrographs

 

 

Inv. 32-21-20
Chisel
A cut from the broken larger end: magnification, 200x
Etchant: Ammonium hydroxide + hydrogen peroxide + alcoholic ferric chloride
(Sn, <0.012%; As, 0.098%; Ni, 0.25%)

The microstructure consists of polyhedral grains that, in their fineness, twinning and distortion, are indicative of treatment by hot-working. Though the direction of deformation is clearly north-south in this micrograph, it actually varies appreciably from area to area in the metal. Fine textured banding is emphasized by the segregated distribution of fine inclusions.

Microhardness VHN: 127 ± 6 (n=5)
Very uniform; what evidence of deliberate working of its squared-off sides will have been lost when this chisel was stripped of its corrosion at some time since excavation.